Vezetősín T75-3/B - 75 x 62 x 10
- Cikkszám: MOT75-3
-
Elérhetőség:
Csak rendelésre!
-
Megmunkált ISO szabványos vezetősín.
A sín szabványos hossza: 5000 mm (+/- 2 mm) - kérésre felárért más hossz is rendelhet.
Az ár a mennyisgétől függ. Kérjük rakja a kosárba a kívánt mennyiséget (toldással együtt), és elküldjük ajánlatunkat!
Termékfülek
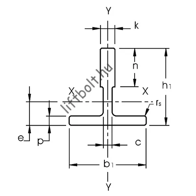
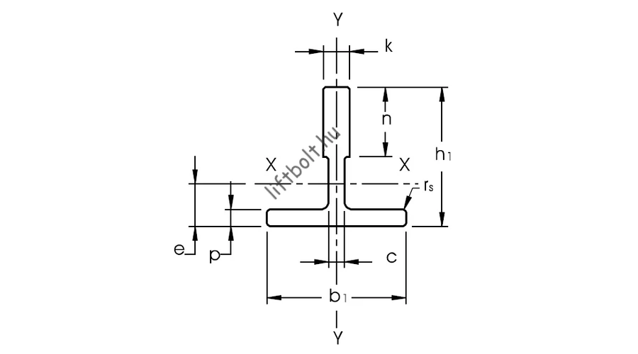
Leírás és Paraméterek
Alapanyag: E 235 B (ISO 630: 1995), ami megfelel a következőnek: Fe 360 B
| Tulajdonság | Érték |
|---|---|
| ISO szabványos megnevezés | T 75-3/B |
| b1 | 75 mm (+/- 1,5 mm) |
| h1 | 62 mm (+/- 0,1 mm) |
| k | 10 mm (+ 0,1 / -0 mm) |
| n | 30 mm (+3 / -0 mm) |
| c | 8 mm |
| p | 7,5 mm (+/- 0,75 mm) |
| rs | 1,5 mm |
| m1 | 3 mm (+0,06/-0 mm) |
| m2 | 2,95 mm (+0/-0,06 mm |
| t1 | 3,5 mm (+/- 0,1 mm) |
| t2 | 3 mm (+/- 0,1 mm) |
| d | 13 mm |
| b3 | 43 mm (+/- 0,2 mm) |
| l2 | 90 mm (+/- 0,2 mm) |
| l3 | 30 mm (+/- 0,2 mm) |
| S | 10,99 cm2 |
| q1 | 8,63 kg / m |
| e | 1,86 cm |
| Ixx | 40,35 cm4 |
| Wxx | 9,29 cm3 |
| ixx | 1,92 cm |
| Iyy | 26,49 cm4 |
| Wyy | 7,06 cm3 |
| iyy | 1,55 cm |
Hasonló termékek
T75 vezetősínhez toldás
Csak rendelésre!