Hidraulikus kötéltárcsa D450 4xd11
- Cikkszám: D260680
-
Elérhetőség:
Utolsó 3 db raktáron
-
Gyártó:
PFB s.r.l.
-
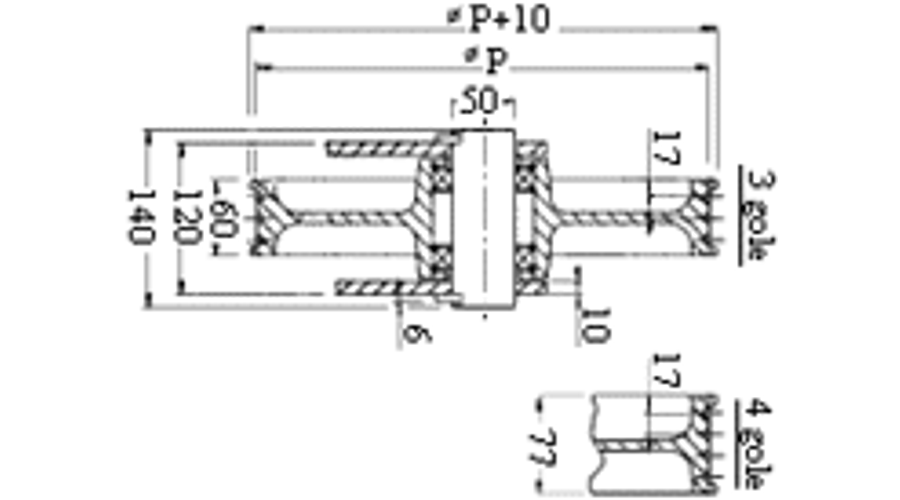
Kötéltárcsa D450 4xd11 csapágyazással
Termékfülek
Leírás és Paraméterek
Kötéltárcsa
A tengely leszerelhető
tárcsa átmérő: D=450 mm
kötélhorony: 4 x max. d11 mm
terhelhetőség (P+Q): 1850 kg (vagyis maga a tárcsa és a csapágy ennek a duplájára van méretezve!)
golyós csapágy: 6210-2RS
| Tulajdonság | Érték |
|---|---|
| Kötéltárcsa típusa | Kötéltárcsa hidraulikus felvonóhoz |