Végálláskapcsoló - automatikus visszaállítás
- Cikkszám: D560350
-
Elérhetőség:
Raktáron
-
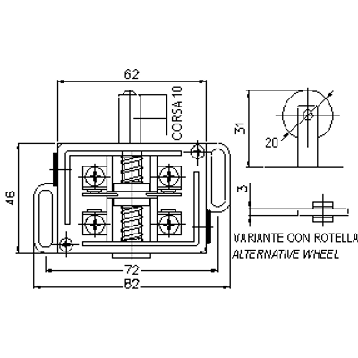
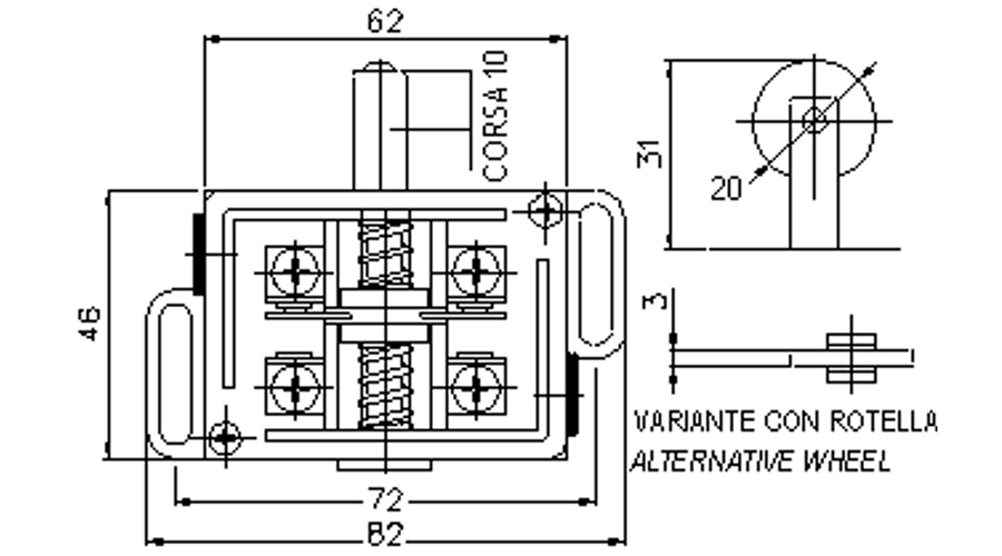
Végálláskapcsoló - automatikus visszaállítás
1 NC + 1 NO érintkező
CE tokozat
működtető: rúd görgővel
Termékfülek
Leírás és Paraméterek
Végálláskapcsoló - automatikus visszaállítás
1 NC + 1 NO érintkező
CE tokozat
működtető: rúd görgővel
| Szigetelési feszültség Ui: 500 V - Névleges feszültség: Ue: 250 V Névleges áram ln: 1A DC13 - 3 A AC15 (CEI EN 60947-5-1)- Megfelel a CEI 17-12 IEC337-HD420 előírásainak. Mechanikus élettartam (terheléssel) 460000 db. kapcsolás - Védelem: IP43 |
Hasonló termékek
Fotocella - 1 fénynyaláb, adó-vevős
Ideiglenes hiány! Érdeklődjön!
vezetőgörgőhöz excenteres csap 20x30
Raktáron