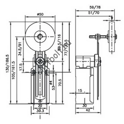
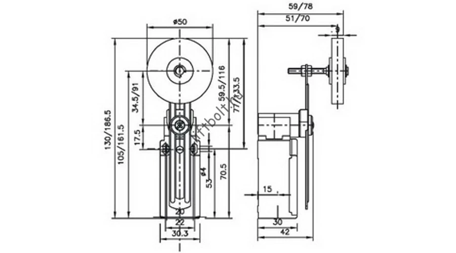
Végálláskapcsoló - d50 görgős - automatikus visszaállítás
- Cikkszám: D560550
-
Elérhetőség:
Utolsó 7 db raktáron
-
Gyártó:
Giovenzana International
-
Végálláskapcsoló - automatikus visszaállítás
1 NO + 1 NC érintkező
d50 görgős működtetés
a görgő 2 irányba is állítható
FT140Z11R